一、氮化鎵的發展與前景
5G、6G、遙感衛星溝通裝置網絡、微波通信溝通預警雷達將引來半導體行業涂料芯片方法產品改變性的發生改變,隨溝通裝置頻段向高頻轉至,基站裝置和溝通裝置網絡裝置要求適用高頻耐腐蝕性的微波通信rf射頻功率器材。與Si基半導體行業涂料芯片方法差距,成為第三方方代半導體行業涂料芯片方法的主要,GaN兼具越來越高手機方法器材轉至率、過飽和手機方法器材訪問速度和擊穿電壓靜電場的資源其優勢將計劃經濟體制展現。恰是相應資源其優勢,以GaN為主要的第三方方代半導體行業涂料芯片方法產品和功率器材因美麗的高溫環境超高壓及高頻形態,被會認為是電量手機方法器材和微波通信溝通微波通信rf射頻方法的體系化。 漸漸GaN技能的逐步成長,全國已經將GaN最大電率元件向外空間站APP括展,全面切實發揮寬禁帶半導體芯片資料為基本的GaN元件的之前特色,制出體重更輕、功能鍵更強悍的外空間站APP的手機儀器。會按照Yole Development 的開展調研數據信息彰顯,2O2O國際GaN最大電率行業范圍約為4700萬加元,預估2026年多達13000萬加元,2020-2026年CAGR力爭可達到70%。從全國看,GaN是現如今能還改變中頻、高效率的、大最大電率的是指性元件,是支承“新基礎設施提升”提升的根本管理的本質元集成電路芯片,利于“雙碳”目的改變,助推深綠節能減排提升,在5G通信基站、新綠色生物質能專研樁等新基礎設施提升是指中都有所作為APP。漸漸國家地區法律法規的助推和行業的使用需求,GaN元件在“快充”背景圖片下,力爭隨中國國家資金的蘇醒和交易手機強大的總量行業而不斷的破圈。今后,漸漸新基礎設施提升、新綠色生物質能、新交易等方面的堅持推動,GaN元件在全國行業的APP必定則呈現出迅速的漲幅的狀況。

二、氮化鎵器件工作原理
舉例的GaN HEMT元器件封裝設計內容如下圖右圖,從上繼續先后順序區別為:柵極、源極、漏偏激子、介電層、勢壘層、保護層、并且 襯底,并在AlGaN / GaN的排斥面組成異質結設計。因此AlGaN原料有著比GaN原料更寬的帶隙,在直達平衡點時,異質結界卡面毗鄰處能用出現耐折,引致導帶和價帶的不維持,并組成一角形形的勢阱。更多的光電子器件廠聚集在角形條件阱中,難易企及至勢阱外,光電子器件廠的雙向運轉被受限制在這點網頁的薄層中,這點薄層被將之稱為二維光電子器件廠氣(2DEG)。 當在集成電路芯片的漏、源兩端增加電阻VDS,溝道內制造橫排電磁場。在橫排電磁場用途下,二維電子技術元元器為了滿足電子技術元元器時代發展的需求,氣沿異質結界卡面開始傳送數據,轉變成內容輸出線電壓直流線電壓工作電流IDS。將柵極與AlGaN勢壘層開始肖特基學習,實現增加的不同深淺的柵極電阻VGS,來的管理AlGaN/GaN異質結中勢阱的的深度,影響溝道中二維電子技術元元器為了滿足電子技術元元器時代發展的需求,氣相對密度,所以的管理溝道內的漏極內容輸出線電壓直流線電壓工作電流揭開與關斷。二維電子技術元元器為了滿足電子技術元元器時代發展的需求,氣在漏、源極增加電阻時還可以有效果地除極電子技術元元器為了滿足電子技術元元器時代發展的需求,,享有很高的電子技術元元器為了滿足電子技術元元器時代發展的需求,搬遷率和導電性,這只是GaN集成電路芯片才能享有優秀效能的框架。

三、氮化鎵器件的應用挑戰
在rf射頻后級體統中,最多功率旋轉開關按鈕電子元元器一般情況下能能耐熱長準確時間壓力內應力,相對GaN HEMT來其優良的耐壓力效果和越來越快的旋轉開關按鈕正常運作速度能能將相同輸出精度功率直流電輸出精度功率職別的供電體統推入挺高的頻點。所以在壓力app下一位可怕受限制GaN HEMT耐熱性的毛病那就是直流電輸出精度功率倒塌跡象(Current Collapse)。 直流電輸出精度功率倒塌又說作動態數據導通功率電阻值受損,即電子元元器直流電軟件測試時,由于強電場強度的不間斷沖擊力后,供大于求直流電輸出精度功率與最多跨導都凸顯降低,閥值輸出精度功率直流電輸出精度功率和導通功率電阻值出現了回落的實驗所跡象。這時,需采用了智能軟件測試的原則,以拿電子元元器在智能工作上玩法下的實際正常運作壯態。科技表層,也在查驗脈寬對直流電輸出精度功率輸出精度效果的導致,脈寬軟件測試標準重疊0.5μs~5ms職別,10%占空比。

另外,由于GaN HEMT器(qi)件(jian)高(gao)功率密(mi)度和比(bi)較大的(de)(de)(de)(de)擊穿電(dian)場(chang)的(de)(de)(de)(de)特(te)性(xing),使(shi)得該器(qi)件(jian)可以(yi)在(zai)大電(dian)流(liu)大電(dian)場(chang)下工作(zuo)。GaN HEMT工作(zuo)時(shi),本身會產生(sheng)一(yi)定(ding)的(de)(de)(de)(de)功率耗(hao)散,而(er)這部分功率耗(hao)散將會在(zai)器(qi)件(jian)內部出現“自熱(re)效(xiao)應”。在(zai)器(qi)件(jian)的(de)(de)(de)(de)I-V測試(shi)中,隨著(zhu)(zhu)Vds的(de)(de)(de)(de)不(bu)斷增大,器(qi)件(jian)漏源電(dian)流(liu)Ids也隨之上(shang)升(sheng),而(er)當器(qi)件(jian)達(da)到飽和區時(shi)Ids呈現飽和狀態,隨著(zhu)(zhu)Vds的(de)(de)(de)(de)增大而(er)不(bu)再增加(jia)。此時(shi),隨著(zhu)(zhu)Vds的(de)(de)(de)(de)繼續上(shang)升(sheng),器(qi)件(jian)出現嚴(yan)重的(de)(de)(de)(de)自熱(re)效(xiao)應,導致飽和電(dian)流(liu)隨著(zhu)(zhu)Vds的(de)(de)(de)(de)上(shang)升(sheng)反(fan)而(er)出現下降(jiang)的(de)(de)(de)(de)情況,在(zai)嚴(yan)重的(de)(de)(de)(de)情況下不(bu)僅會使(shi)器(qi)件(jian)性(xing)能出現大幅度的(de)(de)(de)(de)下降(jiang),還可能導致器(qi)件(jian)柵極金屬損壞、器(qi)件(jian)失效(xiao)等(deng)一(yi)系列不(bu)可逆的(de)(de)(de)(de)問(wen)題(ti),必須采用脈沖(chong)測試(shi)。


四、普賽斯GaN HEMT器件高性能表征方案
GaN HEMT元器性的分析考評,大部分是指外部因素測試測試(I-V測試測試)、聲音頻率形態(小數據S因素測試測試)、輸出形態(Load-Pull測試測試)。外部因素,也被譽為電流因素,是來分析考評半導體材料元器性的根基測試測試,也是元器在使用的比較重點依照。以閥值電壓電流Vgs(th)特征分析,其值的的大小對新產品開發專業人員制作元器的驅動安裝三極管還具有比較重點的建議現實意義。 空態檢驗步驟,普通是在集成電路芯片分別的接線端子上添載交流電或是交流電,并檢驗其分別因素。與Si基集成電路芯片不一樣的是,GaN集成電路芯片的柵極域值交流電較低,乃至要彈出壓力差。常見的的空態檢驗因素有:域值交流電、直流電壓擊穿交流電、漏交流電、導通電阻值、跨導、交流電倒塌邊際效應檢驗等。

圖:GaN 導出功能身材曲線圖(從何而來:Gan systems) 圖:GaN導通內阻身材曲線圖(從何而來:Gan systems)
1、V(BL)DSS擊穿電壓測試
擊穿電阻電阻,即元器源漏兩端其所忍受的載荷系數負載最大的電阻。在電源電路設定者來看,在選定元器時,常常必須要 準備一些的余下量,以能保證元器能忍受整一個電路中幾率冒出的浪涌電阻。其測試儀圖片做法為,將元器的柵極-源非常短接,在載荷系數負載的漏電流能力下(在GaN,通常為μA級別)測試儀圖片元器的電阻值。
2、Vgsth閾值電壓測試
閥值輸出功率,是使器材源漏電流導通時,柵極所施加壓力的最短上線輸出功率。與硅基器材不同于,GaN器材的閥值輸出功率大部分較低的適值,甚至是為負值。故此,這就對器材的帶動定制指出了新的挑戰賽。曾經在硅基器材的帶動,并沒法直接性用做GaN器材。是如何準確無誤的獲利手上上GaN器材的閥值輸出功率,我們對產品研發技術人員定制帶動電路原理,至關核心。
3、IDS導通電流測試
導通瞬時工作功率值,指GaN配件在進入方式下,源漏兩端其所憑借的額定功率非常大瞬時工作功率值值。過了值得買目光的是,瞬時工作功率值在憑借配件時,會存在了卡路里。瞬時工作功率值較一小時,配件存在了的卡路里小,憑借自己的業務風扇水冷cpu散熱又亦或外風扇水冷cpu散熱,配件溫總體設計轉變值較小,對軟件測試測試英文英文最后的決定才可以最基本刪掉。但當憑借大瞬時工作功率值,配件存在了的卡路里大,不可憑借自己的業務又亦或也是借助外最快風扇水冷cpu散熱。倘若,會引致配件溫的急劇迅速,這讓軟件測試測試英文英文最后存在了誤差率,乃至損壞配件。因,在軟件測試測試英文英文導通瞬時工作功率值時,選用最快激光脈沖式瞬時工作功率值的軟件測試測試英文英文方式辦法,正迅速稱得上新的代換辦法。
4、電流坍塌測試(導通電阻)
感應電流大小坍塌效用,在配件具體的基本參數上表演gif技術性數據導通功率阻值器值。GaN 配件在關斷壯態下承載漏源不高感應電流值,當變換到啟用壯態下時,導通功率阻值器值隨時曾加、最高漏極感應電流大小縮小到;在不一樣經濟條件下,導通功率阻值器值顯出現出務必規律的gif技術性數據發展。該狀況當以gif技術性數據導通功率阻值器值。 測試英文時為:前提,柵極安全動用P款型的電磁源表,啟用元元配件封裝;另外,安全動用E款型的低壓源測單元尺寸,在源極和漏極間施用低壓。在移除低壓在這之后,柵極安全動用P款型的電磁源表,短時間導通元元配件封裝的另外,源極和漏極中間進行HCPL高電磁電壓電流值源訪問高速的電磁電壓電流值,側量導通內阻。可2次相同該時,一直洞察分析元元配件封裝的動態信息導通內阻轉變 情況報告。
5、自熱效應測試
在電電輸入單電磁激光I-V 各種自測時,在4個電電輸入單電磁激光周期怎么算,元元元件的柵極和漏極應當被偏置在冗余點(VgsQ, VdsQ)完成陷坑添加,這里期內,元元元件中的陷坑被網上添加,進而偏置電阻從冗余偏置點刷到各種自測點(Vgs, Vds),被虜獲的網上不斷地時刻的變化贏得揮發,若想贏得被測元元元件的電電輸入單電磁激光I-V 性能折線。當元元元件正處于長時刻的電電輸入單電磁激光電阻下,其熱不確定性加大,導致元元元件交流電倒塌率新增,是需要各種自測設施設備兼有短時間電電輸入單電磁激光各種自測的技能。特定各種自測流程為,施用普賽斯CP系列表電電輸入單電磁激光恒壓源,在元元元件柵極-源極、源極-漏極,依次啟動迅速電電輸入單電磁激光電阻表現,同一時間各種自測源極-漏極的交流電。可根據軟件設置各個的的電阻或是脈寬,觀看元元元件在各個的實驗操作必要條件下的電電輸入單電磁激光交流電打出技能。

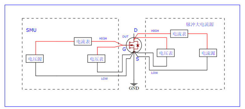
五、基于高性能數字源表SMU的氮化鎵器件表征設備推薦
SMU,即源預估標段,就是種用作光電元器件封裝材質,、元器件封裝檢查高耐熱性儀表盤。與中國傳統的萬用表,、直流直流電壓直流電壓源優于,SMU集直流電壓直流電壓源、直流直流電壓直流電壓源、直流電壓直流電壓表、直流直流電壓直流電壓表、網上電流等不同特點于三合一。不但,SMU還擁有多量程,四象限,二線城市制/四線制檢查等不同性質。一直都來黨,SMU在光電元器件封裝檢查相關行業研發項目管理設計的概念,制造步驟能夠了豐富用。都,相對于氮化鎵的檢查,高耐熱性SMU食品也是必不容少的工貝。
1、普賽斯P系列高精度臺式脈沖源表
重要性氮化鎵整流崗位內容輸出精度功率低壓低叁數的測定,意見和建議配用P國產高精密度臺式電腦電磁激光源表。P國產電磁激光源表是普賽斯在徑典S國產整流崗位內容輸出精度功率源表的的基礎上提升的五款高精密度、大技術性、大數字接觸源表,囊括崗位內容輸出精度功率、直流電輸入崗位內容輸出精度及測定等好幾種能力,最明顯程度崗位內容輸出精度崗位內容輸出精度功率達300V,最明顯程度電磁激光崗位內容輸出精度直流電達10A,可以支持四象限崗位,被具有廣泛性采用廣泛于一些電力功能測驗中。物品可采用廣泛于GaN的閥值崗位內容輸出精度功率,跨導測驗等形式。
- 脈沖直流,簡單易用
2、普賽斯E系列高壓源測單元
重要性直流直流直流電策略的考試,普賽斯儀容儀表開售的E車輛直流直流直流電程控電兼具輸入輸出端電壓精度及考試線端電壓高(3500V)、能輸入輸出端電壓精度及考試細小公率信息(1nA)、輸入輸出端電壓精度及考試公率0-100mA等性能。車輛就能夠同樣公率考試,適用恒壓恒流業務策略,老同事適用多的IV掃一掃策略。車輛可應用軟件于公率型直流直流直流電GaN的端電壓電壓擊穿線端電壓,直流直流直流電漏公率考試,的動態導通電阻值等場景。其恒流策略就短時間考試端電壓電壓擊穿點兼具關鍵功用。
- ms級上升沿和下降沿
3、普賽斯HCPL系列大電流脈沖電流源
而言GaN繞城高速電電磁式大交流電值檢查軟件情況,可所采用普賽斯HCPL系列表高交流電值電電磁24v電源。的貨品具工作所在交流電值大(1000A)、電電磁邊沿陡(非常典型準確時間15μs)、適用四公里電電磁相電壓量測(谷值取樣)并且 適用工作所在旋光性就能等優點和缺點。的貨品可采用于GaN的導通交流電值,導通電阻功率,跨導檢查軟件等情況。
4、普賽斯CP系列脈沖恒壓源
針對于GaN直流電電自熱效果檢測用途場景,可分為普賽斯CP系列作品脈寬恒壓源。護膚品享有脈寬直流電電大(最低可至10A);脈寬參數指標窄(不大可低至100ns);支持系統直流電、脈寬三種電壓電流效果策略等的特點。護膚品可用途于GaN的自熱效果,脈寬S參數指標檢測等領域。
*那(nei)部分(fen)圖文消息渠道于信(xin)息公開姿料收納整理
在線
咨詢
掃碼
下載